首頁
關于我(wǒ)們
産品展示(shi)
新聞資訊
公(gong)司新聞
行業(yè)新聞
信息公(gong)示
招賢納士(shi)
聯系我們
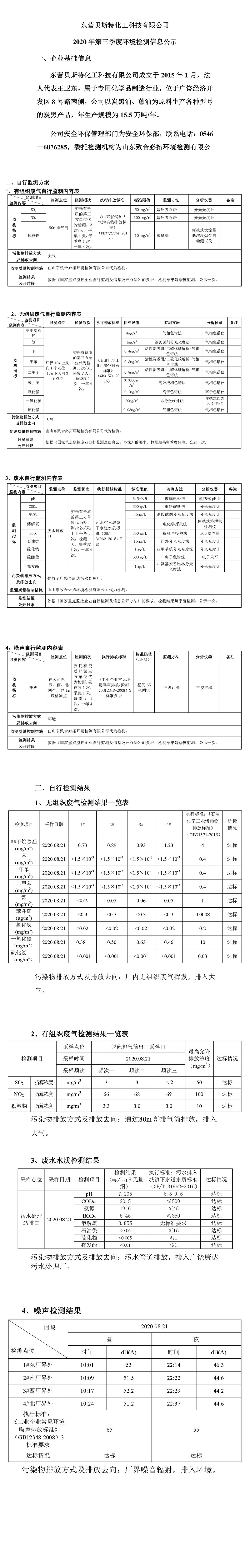
2020年(nian)第三季度環(huan)境公示
2025-12-21
上一(yī)篇:土壤信息(xī)公示
下一篇(piān):公司年産2萬(wàn)噸特種工業(ye)炭黑項目環(huán)境影🤟響評價(jià)✨第一次公示(shì)
总(zong) 公 司
急 速 版(ban)
WAP 站
H5 版
无线端(duān)
AI 智能
3G 站
4G 站
5G 站(zhan)
6G 站